news
金風送爽,邯鄲市叢臺區漢光實驗學校已悄然煥新。操場上,工作人員正做著最后的清潔整理;宿舍樓內,嶄新的被褥整齊擺放,靜靜等待學子歸來;教學樓里,燈光逐間亮起,為明日的課堂做好準備。在這滿是期待的氛圍背后,一套即將陪伴師生開啟新學年的 “隱形守護者”——MULTISTACK 捷豐熱泵機組系統,早已調試完畢、整裝待發,正以穩定的溫度與持續的熱水,為 50961㎡校園筑牢 “四季如春” 的舒適屏障,讓開學第一天就滿是安心與溫暖。
項目檔案:2022 年啟程,持續守護校園的“冬暖夏涼”
自 2022 年邯鄲市漢光學校遷建項目落地以來,MULTISTACK 捷豐便以 “長期穩定、省心高效” 為核心,成為學校不可或缺的貼心伙伴。從初期規劃到日常運營,始終圍繞校園全場景需求,提供全方位“空調供暖”和熱水保障:
項目關鍵信息
項目名稱:叢臺區漢光實驗學校
項目地址:河北省邯鄲市
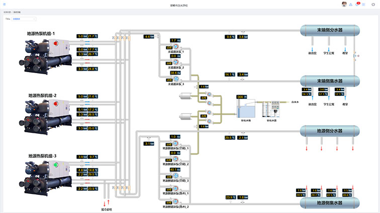
供能覆蓋:50961㎡
機組矩陣:精準匹配區域需求,一站式解決供能問題
針對校園不同區域的用能特點,MULTISTACK 捷豐量身配置兩類核心機組,形成 “冷暖供應 + 專屬熱水” 的高效體系,確保教室、宿舍、體育館等場景供能無死角,完美適配開學后師生的學習與生活需求:
核心優勢:高效穩定,守護校園四季舒適

邯鄲四季溫差顯著,冬季極端低溫低至 - 10℃,夏季高溫超 35℃,而 MULTISTACK 捷豐熱泵機組憑借三大核心優勢,輕松應對復雜氣候,為校園打造無憂環境:
1. 高效穩定,四季無憂
機組無懼邯鄲冬寒夏暑,冬季將室內溫度精準控在 20-22℃,夏季維持 24-26℃。相比常規螺桿壓縮機,其調節范圍更廣、效率更高,出水溫度穩定,四季皆能營造舒適環境。
2. 智能調控,節能先鋒
機組配備變頻技術,最高支持 10%-100% 負荷無級調節。溫度達標自動降頻節能,早晚用能高峰快速提效,較傳統電鍋爐節能超 50%,大幅降低運營成本。
3. 靜謐守護,安心相伴
機組采用低噪音設計,運行時不會干擾課堂學習、宿舍休息及體育館運動,為校園打造安靜氛圍。
多維對比:全方面超越傳統供能,省心又經濟
從環保性、適用性到管理維護,MULTISTACK 捷豐熱泵機組全方位超越市政集中供暖與電鍋爐,為學校提供更優質、更省心的供能選擇:
結語:以科技之力,護航學子們新學年成長
從 2022 年項目落地至今,MULTISTACK 捷豐熱泵機組始終以穩定、高效的表現,守護著漢光實驗學校的每一寸空間。明天,當學子們踏入校園,迎接他們的不僅是嶄新的學年,更是由捷豐打造“節能、舒適、靜音”的環境 —— 暖意將驅散清晨的微涼,清涼會撫平午后的燥熱,即開即熱的熱水能洗去一天的疲憊。
未來,MULTISTACK 捷豐將繼續以熱泵技術為核心,以專業服務為支撐,為更多校園、更多場所提供優質供能解決方案,用科技力量守護每一份成長,陪伴每一段逐夢旅程。

